Vac To V Dc Wiring Diagram

Vac To V Dc Wiring Diagram. Drawing for Electric Hydraulic Power Unit Design. Because AC voltage levels are fluctuating, the voltage is usually given in terms of the RMS voltage.

power supply - How to obtain a little 120 VDC from 240 VAC ...
power supply - How to obtain a little 120 VDC from 240 VAC ... (Jared Ortega)
I thought the diode bridge just put both haves of the AC sine wave "on top"? Provides general information and wiring diagrams for the I/O modules. The basic Heat + A/C System The diagram shows how the wiring works.

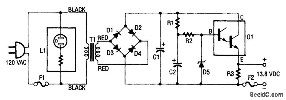
The schematic for this AC-DC converter circuit is simple.

F ELECTRICAL WIRING DIAGRAM (System Circuits).

Index 150 - power supply circuit - Circuit Diagram ...

Craftsman model 315175980 wet/dry vacuum genuine parts

138_Vdc_2_A_REGULATED_POWER_SUPPLY - Power_Supply_Circuit ...

Dual Power Supply Circuit

GE TED134030WL Molded Case Circuit Breaker, 480 VAC/500 ...

12 VDC-220 VAC 50W Power Inverter Circuit

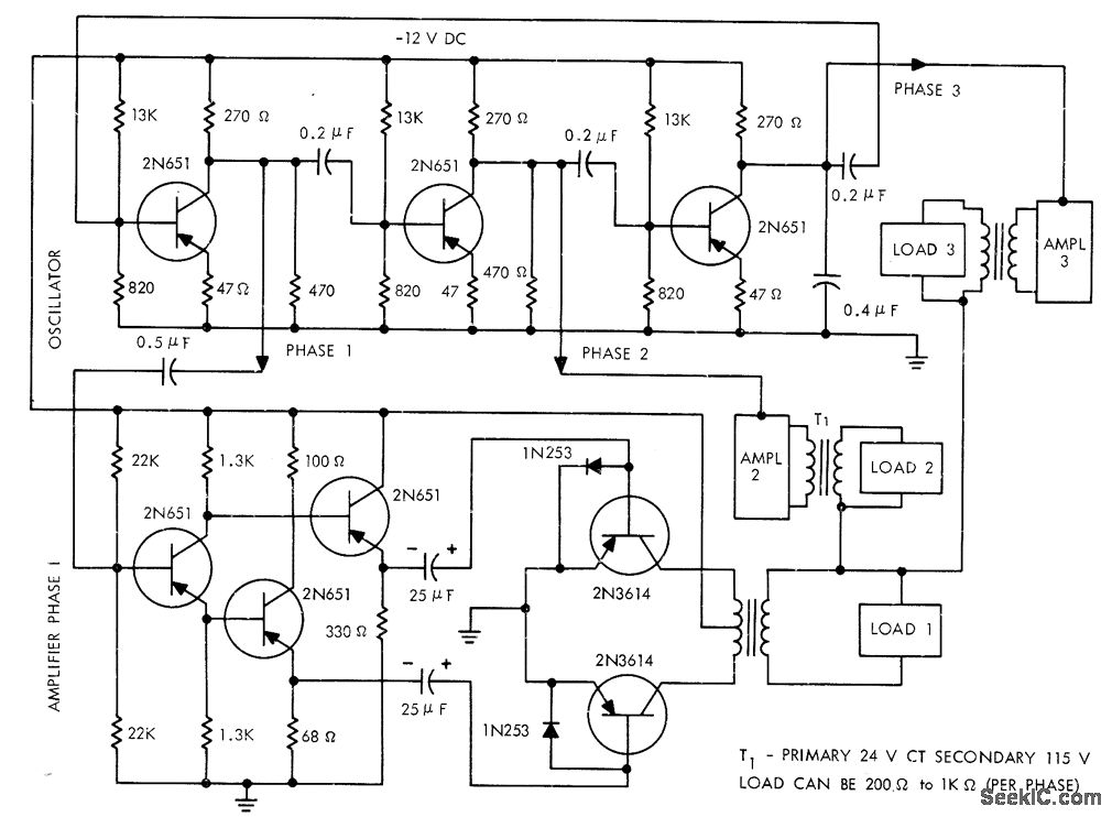
12_VDC_TO_115_VAC_AT_400_Hz - Basic_Circuit - Circuit ...

electronic diagram schematic: May 2007

24 Vac Motorized Damper Wiring Diagram

Because AC voltage levels are fluctuating, the voltage is usually given in terms of the RMS voltage. I didn't know the wattage and the frequency of the inverter output because i don't an oscilloscope so if wanna have high watt output you have to use a step. If you like this video then.

Subscribe to receive free email updates:

0 Response to "Vac To V Dc Wiring Diagram"

Post a Comment